خـانـه
میکرومدرن
محصولات

پیدا نشد!

متأسفیم! هیچ محصولی مطابق با جستجوی شما پیدا نکردیم

جستجوهای پرطرفدار
  • sim800
  • sim700
  • sim600
اطلاعات اصلی کالا

سنسور PIR LHI 968

PIR Sensor LHI 968 EXCELITAS | 00

هویت کالا
  • کد میکرومدرن
    : 1210010001600 (5324)
  • پارت‌نامبر سازنده
    : LHI 968
  • برند
    : EXCELITAS
  • بسته بندی
    : Bulk
مشخصات کالا
حفظ حریم شخصی
پرداخت امن
ضمانت اصالت کالا

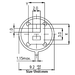
مشخصات سنسور PIR LHI 968

سنسور PIR LHI 968 از خانواده سنسور مادون قرمز (PIR) می‌باشد. ویژگی‌های فنی این محصول براساس دیتاشیت ارایه شده از سوی تولید کننده آن به شرح زیر می باشد:
  • ابعاد (میلی متر) 8.1 D x 4.2 H
  • اصالت Genuine
  • منبع تأیید‌شده YES
  • برند EXCELITAS
  • بسته بندی Bulk
  • ولتاژ تغذیه 2V ~ 10V
  • پیکربندی Dual Series
  • ابعاد عنصر (X*Y) 1.0mm x 2.0mm
  • فاصله بین المان‌ها 1.0mm (X)
  • موقعیت المان (he) 2.6mm
  • ابعاد فیلتر نوری (X*Y) 5.2mm x 4.2mm
  • میدان دید 100°H/100°V
  • نویز (حداکثر) 50 uVpp
  • حساسیت پاسخ (حداقل) 3.3 kV/W
  • محافظت از Built-In EMI YES
  • نوع خروجی Analog Voltage
  • پکیج TO5/3Leads
  • نوع نصب Through Hole
ValueName
متوسط امتیاز ها :
0
0 رأی

هیچ دیدگاهی وجود ندارد

شما اولین نفری باشید که نظر خود را به اشتراک می گذارد.

مشابه ها

0
کالای مشابه
این یک متن تست است!
()
۲۰٬۰۰۰
53 %
۹٬۵۰۰
% تخفیف پله
0
کالای مشابه
این یک متن تست است!
()
۲۰٬۰۰۰
53 %
۹٬۵۰۰
% تخفیف پله
0
کالای مشابه
این یک متن تست است!
()
۲۰٬۰۰۰
53 %
۹٬۵۰۰
% تخفیف پله
0
کالای مشابه
این یک متن تست است!
()
۲۰٬۰۰۰
53 %
۹٬۵۰۰
% تخفیف پله
مبــلغ قـابـل پـرداخــت
۲۸۹٬۴۰۱
0 % تخفیف پله
1+
0 %
۲۸۹٬۴۰۱
10+
4 %
۲۷۷٬۸۲۵
100+
6 %
۲۷۲٬۰۳۷